Athena အင်ဂျင်နီယာ S.r.l.
Athena အင်ဂျင်နီယာ S.r.l.
သတင်း

fluoroplastic သံလိုက်ပန့်များအတွက်အသုံးပြုသူလမ်းညွှန်

fluoroplastic သံလိုက်ပန့်များသည်စွမ်းအင်ကိုသံလိုက်နားရွက်များဖြင့်ထုတ်လွှင့်ခြင်း, မော်တာပြင်ပသံလိုက်သံမဏိကိုလှည့်ရန်သံလိုက်ကြိုးသံမဏိကိုလှည့်ရန်သံလိုက်သံမဏိကိုမောင်းနှင်သည့်အခါ, အရည်သည်အထီးကျန်လက်များအတွင်းတွင်ပါ 0 င်သောကြောင့်ပစ္စည်းယိုစိမ့်မှုသည်လုံးဝဖယ်ရှားပစ်ရန်, လေထုညစ်ညမ်းမှု,

၏အဓိကအင်္ဂါရပ်များfluoroplastic သံလိုက်ပန့်များ

1. Pump Innner lever အတွင်းပိုင်း roolor နှင့်အထီးကျန်လက်များသည်စင်ကြယ်သော F46 ပစ္စည်းများကိုမိုးရွာသွန်းမှုကင်းမဲ့ခြင်း,

2. Pump Casing ကိုအမျိုးသားအဆင့်စံကပ်မှုများနှင့်အညီဒီဇိုင်းပြုလုပ်ထားသောသတ္တုသံဖြင့်ပြုလုပ်ထားသည်။ ဒါဟာအလွန်အစွမ်းထက်တဲ့စက်ဆူအရေးပါးဝါကြွားနှင့်မိုးသည်းထန်စွာပိုက်လိုင်းဝန်ကိုခံနိုင်ရည်ရှိသည်။

3. Flow-trough အစိတ်အပိုင်းများကို F46 ပစ္စည်းများ, စွမ်းဆောင်ရည်သာလွန်သောဟိုက်ဒရောလစ်ပျော့ပျောင်းသောစွမ်းဆောင်ရည်နိမ့်ကျခြင်းနှင့်မြင့်မားမှုနှင့်မြင့်မားမှုနှင့်မြင့်မားသောစွမ်းဆောင်ရည်တို့ပါ 0 င်သည့် F46 ပစ္စည်းများကို F46 ပစ္စည်းနှင့်စီတန်းထားသည်။

4. စုပ်စက်ရိုးတံ, လက်များကိုထမ်းဆောင်ခြင်းနှင့်ပြောင်းလဲနေသော / static ကွင်းများသည် plusereless / static ကွင်းများရှိပြီး,

5. အင်္ကျီအင်္ကျီလက်အတွင်းရှိထူးခြားသောလိမ်လည်မှုဒီဇိုင်းသည်လျှောစွန်းသောစုံတွဲကိုချောဆီကိုလွယ်ကူချောမွေ့စေပြီးပန့်လည်ပတ်မှုကာလအတွင်းပွတ်တိုက်မှုဖြင့်ဖြစ်ပေါ်စေသောအပူကိုထိထိရောက်ရောက်ဖယ်ရှားပစ်သည်။

2. တင်သွင်းသောကာဗွန်ဖိုက်ဘာအကြောင်းအရာများကိုအဖုံးဖြင့်ဖြည့်စွက်ခြင်းအားဖြင့်သီးခြားစီအိုင်းတွင်ထည့်သွင်းထားပြီးစုပ်စက်ကိုပိုမိုမြင့်မားသောစနစ်ဖိအားကိုခံနိုင်ရည်ရှိစေရန်နှင့်သတ္တုလက်ဖြင့်သတ္တုလက်ဖြင့်သံလိုက် Eddy Currents မှထုတ်လုပ်သောအပူချိန်ကိုဖယ်ရှားပေးသည်။

7 ။ ၎င်းသည် Prime Mover ၏ torque ကိုမြှင့်တင်ခြင်းကိုချောမွေ့စေပြီး impeller အတွင်းရှိ rotor နှင့်နောက်တွင်တွန်းကန်အားလက်စွပ်အကြားအဆက်အသွယ်များကိုတားဆီးရန်တားဆီးထားသည့် Prime Mover Torque ကိုချောမွေ့စေနိုင်သည်။ ၎င်းသည် sproactive အပူကြောင့်အရည်ရွှမ်းသောအစိတ်အပိုင်းများကိုအရည်ပျော်စေခြင်း,

8. Pump Unit တစ်ခုလုံးသည်တစ်ကိုယ်ရေကိုဆွဲချထားသည့်ဖွဲ့စည်းပုံကိုလက်ခံသည်,

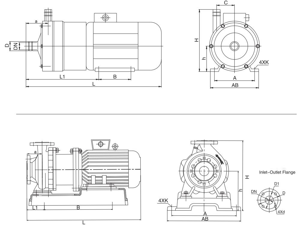
Magnetic pump product pictures


fluorine-stedetic pumps များအတွက် installation နှင့်သတ်မှတ်ချက်များကော်မရှင်

1. Mmagnetic Pumps များကိုအလျားလိုက်တပ်ဆင်ထားပြီးဒေါင်လိုက်မထားသင့်ပါ။ ဒေါင်လိုက်တပ်ဆင်ရန်လိုအပ်သည့်အထူးအခါသမယများအတွက်မော်တာသည်အထက်သို့ရင်ဆိုင်ရမည်ဖြစ်သည်။

2. စုတ်ယူသည့်အရည်အဆင့်သည်စုပ်စက်ကိုစင်တာထက်ပိုမိုမြင့်မားလာသောအခါ Startup မတိုင်မီစုတ်ယူခြင်းပိုက်အဆို့ရှင်ကိုဖွင့်ပါ။ စုတ်ယူသည့်အရည်အဆင့်နိမ့်သည်ဆိုပါက Puppled Shaft Centerline ထက်ခြေဆတ်ထားသောခြေဆတ်ထားသောပမာဏကိုပိုက်လိုင်းတွင်တပ်ဆင်ထားရမည်။

3. လက်စုပ်စက်စတင်ခြင်း, စစ်ဆေးခြင်း - စစ်ဆေးခြင်း - စစ်ဆေးခြင်း - မော်တာပန်ကာဓါးသွားများသည်ပြောင်းလွယ်ပြင်လွယ်သို့မဟုတ်ပုံမှန်မဟုတ်သောဆူညံသံမပါဘဲပြောင်းလွယ်ပြင်လွယ်လှည့်သင့်သည်။ စွဲစေမှုအားလုံးသည်လုံခြုံစွာတင်းကျပ်ရမည်။

4. မော်တာလည်ပတ်လမ်းကြောင်းသည်သံလိုက်စုပ်စက်ပေါ်အလှည့်အမှတ်အသားနှင့်ကိုက်ညီကြောင်းဖော်ပြသည်။

5. မော်တာကိုစတင်ခြင်းသည်ဖြည်းဖြည်းချင်းလွှတ်သည်အဆို့ရှင်ကိုဖြည်းဖြည်းချင်းဖွင့်သည်။ စုပ်စက်သည်တည်ငြိမ်သောလည်ပတ်မှုအခြေအနေကို 0 င်ရောက်ပြီးသည်နှင့် Eroper Valve ကိုလိုအပ်သောအဖွင့်သို့ညှိပါ။

6. စုပ်စက်ကိုရပ်တန့်ပြီးစုပ်စက်ကိုရပ်တန့်ပြီးထုတ်လွှတ်သည့်အဆို့ရှင်ကို ဦး စွာပိတ်ပါ။

fluoroplastic သံလိုက်ပန့်များအသုံးပြုရန်ကြိုတင်ကာကွယ်မှုများ

ဤတွင်သံလိုက်ပန့်များအသုံးပြုခြင်းအတွက်အကြံဥာဏ်အချို့ရှိသည်။ သူတို့နားလည်မှုသည်၎င်းတို့၏ပိုမိုလုံခြုံစိတ်ချရသောနှင့်ပိုမိုထိရောက်သောလည်ပတ်မှုကိုသေချာစေရန်ကူညီလိမ့်မည်။

ဥပမာအားဖြင့်စုပ်စက်၏ဝက်ဝံများသည်အအေးခံခြင်းနှင့်ချောဆီကိုစီးဆင်းနေသောအလတ်စားအပေါ်လုံးဝမှီခိုနေရသည်။ ထို့ကြောင့်ခြောက်သွေ့သောအပြေးကိုတင်းကြပ်စွာတားမြစ်သည်။ ထို့အပြင်လုပ်ငန်းလည်ပတ်နေစဉ်အတွင်းလျှပ်စစ်ဓာတ်အားပြတ်တောက်ပြီးနောက်ပြန်လည်စတင်သည့်အခါအဘယ်သူမျှမဝန်စစ်ဆင်ရေးကိုရှောင်ကြဉ်ပါ။

ပါးလွှာသောအလတ်စားတွင်ခိုင်ခံ့သောအမှုန်များရှိပါကစုပ်စက်ဝင်ပေါက်တွင် filter script တစ်ခုတပ်ဆင်ရန်သတိရပါ။ ferrous အမှုန်များရှိပါကပန့်များကိုအညစ်အကြေးများကပျက်စီးစေခြင်းမှကာကွယ်ရန်သံလိုက်စစ်ထုတ်ခြင်းများကိုတပ်ဆင်ထားရမည်။

အသုံးပြုနေစဉ်အတွင်းပတ်ဝန်းကျင်အပူချိန်သည် 40 ဒီဂရီစင်တီဂရိတ်ထက်မပိုစေသင့်ပါ။ မော်တာအပူချိန်သည် 75 ဒီဂရီစင်တီဂရိတ်ထက်မပိုသင့်ပါ။

ထို့အပြင်ပါးကန့်နှင့်၎င်း၏အပူချိန်သည်စုပ်စက်၏ပစ္စည်းလိုအပ်ချက်များကိုဖြည့်ဆည်းပေးရမည်။ ယေဘုယျအားဖြင့်ပြောရလျှင်၎င်းသည်အရည်များကို 100 ဒီဂရီစင်တီဂရိတ်နှင့်အမျှင်များနှင့်အမျှင်များကင်းသောအပူချိန်နှင့်အရည်များကိုသယ်ဆောင်ရန်သင့်တော်သည်။ အများဆုံးစနစ်အလုပ်လုပ်သောဖိအားသည် 1.0 MPA ထက်မပိုသင့်ပါ။ အရည်သိပ်သည်းဆသည် 1300 ကီလိုဂရမ် / M³ထက်မကြီးသင့်ပါ။ အထူးကိစ္စရပ်များအတွက်, အထူးသဘောတူညီချက်များကိုလိုက်နာရမည်။

အရည်ကြည်ပါသောအရည်သည်မိုးရွာသွန်းမှုနှင့်ပုံဆောင်ခဲသို့ကျရောက်နေပါကပိတ်ဆို့ခြင်းကိုရှောင်ရှားရန်အတွင်း၌စုဆောင်းထားသောအရည်များကိုအချိန်မီသန့်ရှင်းရေးလုပ်ပါ။

နာရီ 1000 ပုံမှန်လည်ပတ်ပြီးနောက်ဝက်ဝံ 0 တ်ဆင်ခြင်းနှင့်အဆုံးမျက်နှာပြင် dynamic the ကွင်းများကိုစစ်ဆေးရန် ပို. ကောင်းသည်။ ဝတ်ဆင်အားနည်းသောအစိတ်အပိုင်းများနှင့်အတူမလုပ်ပါနှင့်; စွမ်းဆောင်ရည်ကိုသေချာစေရန်အချိန်မီအစားထိုးရန်လိုအပ်သည်။

နောက်ထပ်သတိပေးချက်တစ်ခု - သံလိုက်စုပ်စက်တွင်သံလိုက်ချိတ်ဆက်မှုသည် Pacemakers များ, သံလိုက်ကဒ်များ, မိုဘိုင်းဖုန်းများနှင့်နာရီများကဲ့သို့သောအထိခိုက်မခံသောကိရိယာများကိုအကျိုးသက်ရောက်နိုင်သည်။ သူတို့နှင့်ဝေးကွာသောအကွာအဝေးကိုစောင့်ရှောက်ရန်သတိရပါ။

နောက်ဆုံးအနေဖြင့်ပါဝါ supply ဗို့အားတည်ငြိမ်ပြီးမမြင့်မားပါ။ 18.5 KW ထက်ပိုသောစွမ်းအားရှိသောပန့်များအတွက်, မော်တာကိုပိုမိုကောင်းမွန်စွာကာကွယ်နိုင်သည့်ကြိမ်နှုန်းပြောင်းလဲခြင်းစက်သို့မဟုတ်အလိုအလျောက်အသွင်ပြောင်းသည့်အဆင့်ကိုတပ်ဆင်ရန်အကြံပြုသည်။

အမှားများနှင့်ပြ esh နာဖြေရှင်းခြင်းနည်းလမ်းများ




အမှားအမျိုးအစား အကြောင်းရင်းများ ပြ esh နာဖြေရှင်းနည်းများ
ရေမရှိသောရေမရှိပါ 1 ။ Reverse Pump Rotation2 ။ စုတ်ယူခြင်းအပိုင်းအစအတွက်လေယိုစိမ့်။ Pump Chamber4 ရှိရေမလုံလောက်ပါ။ အလွန်အကျွံမြင့်မားစွာမြင့်မားသောဗို့အား startup လစဉ်အတွင်း slocping လုပ်ပါ။ အလွန်အမင်းမြင့်မားသောစုတ်ယူခြင်း LIFT6 ။ အဆို့ရှင်ဖွင့်လှစ်မ 1 ။ မော်တာ Wiring2 ချိန်ညှိပါ။ လေထုယိုစိမ့်မှုကိုဖယ်ရှားပါ။ Pump Chamber4 တွင်ရေပမာဏကိုတိုးမြှင့်ပါ။ voltage5 ကိုပြင်ပါ။ Pump Installation position6 ကိုနိမ့်။ အဆို့ရှင်ကိုပြုပြင်ပါ
မလုံလောက်စီးဆင်းမှု 1 ။ သေးငယ်တဲ့သေးငယ်တဲ့သို့မဟုတ်ပိတ်ဆို့စိတ္တkaပိုက်အချင်း။ ပိတ်ဆို့ impeller စီးဆင်းမှုရုပ်သံလိုင်း 3 ။ အလွန်အမင်းမြင့်မားသော head4 ။ impeller ဝတ်ဆင် 1 ။ စုတ်ယူခြင်းအပိုင်းအစကိုအစားထိုးလိုက်ပါ။ impeler3 သန့်ရှင်းရေး။ ရေ Valve ကျယ်ပြန့်ကိုဖွင့်ပါ။ impeller အစားထိုးပါ
ခေါင်း 1 ။ အလွန်အမင်းမြင့်မားသော flow2 ။ အနိမ့်အလှည့်မြန်နှုန်း 1 ။ ဥတုအဆို့ရှင်၏အဖွင့်ကိုလျှော့ချပါ။ rated rotation မြန်နှုန်းကို restore
အလွန်အကျွံဆူညံသံ 1 ။ ပြင်းထန်သောရိုးကို 0 တ်ဆင်သည်။ ပြင်းထန်သော bearing wear3 ။ အပြင်ဘက်သံလိုက်သံမဏိသံမဏိနှင့်အထီးကျန်လက်များအကြားဆက်သွယ်ပါ။ တစ် ဦး ချင်းစီကတခြားဆန့်ကျင်တံပိုးလက်စွပ်နှင့်လှုံ့ဆျောကြိတ်။ မတည်ငြိမ်သောပိုက်လိုင်း Support6 ​​။ ဆုတောင်းချက် 1 ။ bearing2 အစားထိုးလိုက်ပါ။ အဆိုပါ shaft3 အစားထိုးလိုက်ပါ။ ဖျက်သိမ်းနှင့်စုပ်စက်ခေါင်းကို heavants ။ အဆိုပါတွန်းကန်အားလက်စွပ်နှင့်တံဆိပ်ခတ် ring5 ကိုအစားထိုးလိုက်ပါ။ ပိုက်လိုင်းကိုတည်ငြိမ်။ လေဟာနယ်ဒီဂရီကိုလျှော့ချပါ
အရည်ယိုစိမ့် o-ring ပျက်စီး o-ring ကိုအစားထိုးလိုက်ပါ

teffiko: Italianoplastic သံလိုက်ပန့်များလယ်ပြင်၌အီတလီလက်ရာလက်မှုလက်ရာရွေးချယ်မှု

သွယ်မှုတ်ထားသောသံလိုက်ပန့်များကိုရွေးချယ်ခြင်းနှင့်အသုံးချခြင်းတွင်ခိုင်မာသောနည်းပညာစွမ်းရည်များ,teffikoအီတလီအမှတ်တံဆိပ်သည်ဤနယ်ပယ်တွင်ယုံကြည်စိတ်ချရသောရွေးချယ်မှုဖြစ်သည်။ အထူးမီဒီယာအတွက်စံလုပ်ငန်းအခြေအနေများသို့မဟုတ်စိတ်ကြိုက်ပြင်ဆင်ထားသောဖြေရှင်းနည်းများအရတည်ငြိမ်သော output ကိုလိုအပ်သည်ဖြစ်စေ Teffiko သည်၎င်း၏ပရော်ဖက်ရှင်နယ်ထုတ်ကုန်များနှင့် 0 န်ဆောင်မှုများနှင့်ယုံကြည်စိတ်ချရသောအထောက်အပံ့များပေးနိုင်သည်။





ဆက်စပ်သတင်း
ငါ့ကို မက်ဆေ့ချ် ထားခဲ့ပါ။
သတင်းအကြံပြုချက်များ
  • BACK TO ATHENA GROUP
  • X
    သင့်အား ပိုမိုကောင်းမွန်သောကြည့်ရှုမှုအတွေ့အကြုံကို ပေးဆောင်ရန်၊ ဆိုက်အသွားအလာကို ပိုင်းခြားစိတ်ဖြာပြီး အကြောင်းအရာကို ပုဂ္ဂိုလ်ရေးသီးသန့်ပြုလုပ်ရန် ကျွန်ုပ်တို့သည် ကွတ်ကီးများကို အသုံးပြုပါသည်။ ဤဆိုက်ကိုအသုံးပြုခြင်းဖြင့် ကျွန်ုပ်တို့၏ cookies အသုံးပြုမှုကို သင်သဘောတူပါသည်။ ကိုယ်ရေးအချက်အလက်မူဝါဒ
    ငြင်းပယ်ပါ။ လက်ခံပါတယ်။